FEATURES:
* Alloy steel, sealed by adhesive, oil proof, waterproof and anti-corrosion.
* S beam type, tension or compression loading, easy installation.
* High accuracy and low profile.
* Suitable for measuring tension or compression loading as crane/ mechanical
conversion scales, hopper scales and other electronic weighing devices.
SPECIFICATIONS:
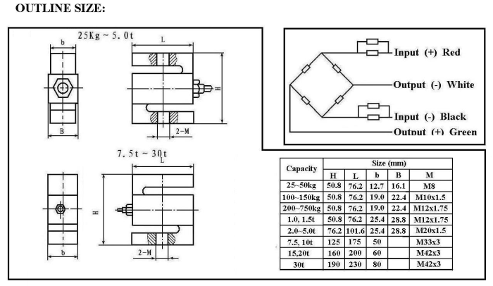
Capacity:0.025/0.05/0.1/0.15/0.2/0.25/0.3/0.5/0.6/0.75/1/1.5/2/2.5/3/5/7.5/10/15/20/30 KG
Accuracy: C2; OIML R60 C3; OIML R60 C4;
Max.number of verification intervals ( Nmax): 2000; 3000; 4000;
Min. Load cell verification interval (Vmin):Emax/5000; Emax/10000; Emax/14000;
Combine error( %FS):<±0.030; <±0.020; < ±0.018;
Creep( %FS/30Min.): <±0.024; <±0.016; <±0.012;
Temp.effect on sensitivity (%FS/10℃): <±0.017; <± 0.011; <± 0.009;
Temp. Effect on zero (%FS/10℃):<± 0.023; <± 0.015; <±0.010;
Output sensitivity (mV/V): 2.0 ± 0.004;
Input resistance (Ohm): 350 ± 3.5;
Output resistance (Ohm): 351 ± 2.0;
Insulation resistance (M Ohm): >5000(VDC)
Zero balance ( %FS): 1.5
Compensated temperature (℃): -10 ~ 40;
Operating temperature (℃): -35 ~65;
Excitation, recommended (V):5~12 (DC);
Excitation, Max. (V): 18(DC)
Safe overload (%FS): 150;
Ultimate overload (%FS): 300.



