FEATURES:
* Alloy steel, surface bluing treatment, spray painted, oil proof,
waterproof and anti-corrosion.
* Spoke type, easy installation.
* High reliability and long life span.
* Suitable for groundsill measuring, engineering measuring
fields and special force measuring eqipments.
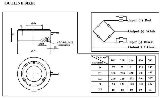
SPECIFICATIONS:
Capacity: 1/ 2/ 3/ 4/ 5 MN;
Accuracy: G1; G2; G3
Combine error ( %FS): 0.1; 0.2; 0.3;
Creep ( %FS/30Min.): 0.05; 0.05; 0.05 ;
Temp.effect on sensitivity (%FS/10℃): 0.05; 0.1; 0.2;
Temp. Effect on zero (%FS/10℃): 0.05; 0.1; 0.2 ;
Output sensitivity (mV/V): > 2.0;
Input resistance (Ohm): 1072 ±5 ;
Output resistance (Ohm): 1050 ±5 ;
Insulation resistance (M Ohm): >5000(50VDC);
Zero balance ( %FS): 1.0;
Compensated temperature (℃) : -10 ~ 40;
Operating temperature (℃) : -35 ~65;
Excitation, recommended (V): 5~12 (DC);
Excitation, Max. (V): 18(DC);
Safe overload (%FS): 150;
Ultimate overload (%FS): 300



