*High accuracy and stability;
* good output signal, dynamic performance and zero drift.
* Suitable use for measuring and controlling of pressure of
high-temperature articles in fields of chemical fibers, plastics and rubber...etc,
It is replacement for "DYNISCO" / "JEFRAN".
Specifications:
YCY72 | YBY72 | |
Capacity: | 0 ~3.5 ~ 200 M pa; | |
Accuracy: | ±0.5% FS; ±1.0%FS; ±1.5%FS | |
Repeatability: | ± 0.2%FS; ± 0.4%FS; ± 0.8%FS; ± 1.4%FS; | |
Power supply: | 10 Vdc (6 ~ 12Vdc); | 24Vdc (9 ~ 36 Vdc) |
Output : | 2.0 mV/V ; 3.0mV/V ; 3.33mV/V | 0 ~ 5V; 1~5V; 0 ~ 10V; 1~ 10V or0 ~ 20 mA; 4 ~ 20mA |
Insulation Resistance: | ≥500 MΩ | |
Probe temperature: | 400C | |
Temperature drift: | ≤0.15 Mpa /100℃; ≤0.2 Mpa /100℃; ≤0.3 Mpa /100℃; | |
Electronic Connection: | Plug (5- Pin / 6-Pin); | |
Mechanical Connection:
| M14 X 1.5; M18 X 1.5; M22 X 1.5; 1/2-20UNF...etc ( Optional) | |
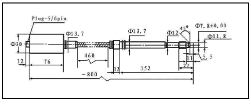
Outline size: ( Reference only)



