FEATURES:
* Stainless steel, hermetically welded, waterproof & anti-corrosive.
* Column structure, anti-reversal design, good self-aligning ability.
* Easy installation.
* Suitable for electronic weighing devicesas loading measuring
in offshore oil/gas drilling platform
Product Details
MAIN PERFORMANCE:
Rated capacity:0 ~ 380 T;
Combined accuracy:≤± 1%FS
Sensitivity:2.50 ± 0.005 mV/V
Operating temperature:-20 ~ +70 C;
Input resistance:240 Ohm or 350 Ohm or 700 Ohm ± 1%;
Output resistance:240 Ohm or 350 Ohm or 700 Ohm ± 1%;
Insulation resistance:> 500 M Ohm
Excitation voltage:2 ~ 12 VDC
Safe overload: 150% FS
Ultimate overload: 200%FS
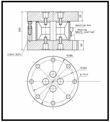
OUTLINE SIZE: ( Reference only)



