FEATURES:
* Stainless steel, hermetically welded, oil proof, waterproof and anti-corrosion.
* Column type, anti-reversal design, good self-aligning ability, easy installation.
* High accuracy and reliable performance.
* Suitable for electronic platform scales, automobile testing facilities,hopper scales and
other electronic weighing device.
SPECIFICATIONS:
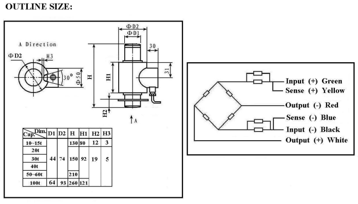
Capacity: 10/ 15/ 20/ 30/ 40/ 50/ 60/ 100 T;
Accuracy: C2; OIML R60 C3; C4;
Max.number of verification intervals ( Nmax): 2000; 3000; 4000;
Min. Load cell verification interval (Vmin): Emax/5000; Emax/10000; Emax/14000;
Combine error( %FS): ≤±0.030; ≤±0.020;≤±0.018;
Creep( %FS/30Min.): ≤±0.024; ≤±0.016; < ±0.012;
Temp.effect on sensitivity (%FS/10℃): ≤±0.017; ≤±0.011; ≤±0.009;
Temp. Effect on zero (%FS/10℃): ≤±0.023; ≤±0.015;< ±0.010;
Output sensitivity (mV/V): 2.0 ±0.02;
Input resistance (Ohm): 700 ±7;
Output resistance (Ohm): 703 ±4;
Insulation resistance (M Ohm): >5000(50VDC);
Zero balance ( %FS): 1.0;
Compensated temperature (℃): -10 ~ 40;
Operating temperature (℃): -35 ~65;
Excitation, recommended (V): 5~12(DC);
Excitation, Max. (V): 18(DC);
Safe overload (%FS): 150;
Ultimate overload (%FS): 300



