FEATURES:
* Alloy steel, nickel plated, hermetically welded, oil proof, waterproof
and anti-corrosion.
* Dual shear beam, easy installation.
* High accuracy and reliable performance.
* Suitable for electronic truck/ railway scales and other electronic
weighing devices.
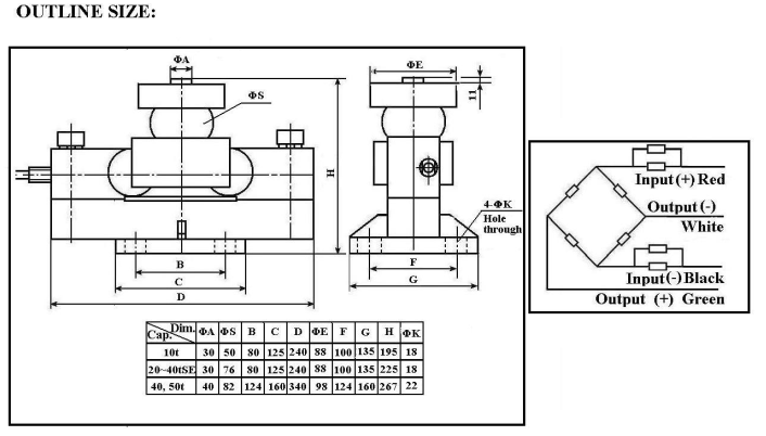
SPECIFICATIONS:
Capacity: 10/20/25/30/40/50 T;
Accuracy: C1; C2; OIML R60 C3;
Max.number of verification intervals ( Nmax): 1000/ 2000/ 3000;
Min. Load cell verification interval (Vmin): Emax/3000; Emax/5000; Emax/10000;
Combine error( %FS): ≤±0.050; ≤±0.030; ≤±0.020;
Creep( %FS/30Min.):≤±0.038; ≤±0.024; ≤±0.016;
Temp.effect on sensitivity (%FS/10℃): ≤±0.028; ≤±0.017; ≤±0.011;
Temp. Effect on zero (%FS/10℃): ≤±0.047; ≤±0.023; ≤±0.015;
Output sensitivity (mV/V): 2.0 ±0.002; 2.3 ±0.002; 2.4 ±0.002;
Input resistance (Ohm): 700 ±7 or 775 ±5;
Output resistance (Ohm): 700 ±7;
Insulation resistance (M Ohm): 5000(50VDC);
Zero balance ( %FS): 1.5;
Compensated temperature (℃): -10 ~40;
Operating temperature (℃): -35~65;
Excitation, recommended (V): 5~12(DC);
Excitation, Max. (V): 18(DC)
Safe overload (%FS): 150;
Ultimate overload (%FS) : 300.



